Fliege Notch Filter
Filter Fliege adalah sebuah high pass dan low pass yang membentuk Notch Filter (Filter Takik). Kedalaman takik tidak sebaik filter Twin-T, tetapi jauh lebih baik daripada Bridged-T / Wien-Bridge. Q dapat diubah dengan mengubah dua resistor. Namun jika resistansi pengatur frekuensi diubah, Q juga berubah.

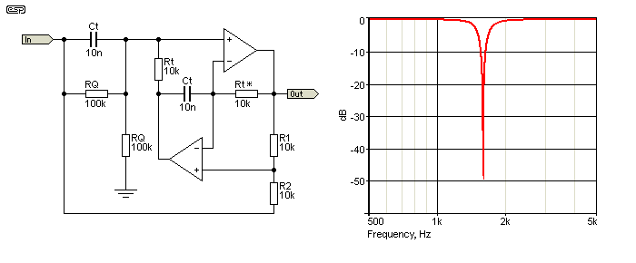
Frekuensi dengan nilai komponen yang ditampilkan adalah 1,59kHz, dan mengikuti rumus yang sama seperti filter lainnya. Q diatur oleh resistor RQ, dan nilai yang dibutuhkan kira-kira
RQ = R t × Q × 2
Dalam rangkaian yang ditunjukkan, Q adalah sekitar 5, dan itu cukup untuk memastikan bahwa harmonik kedua dari frekuensi input dilemahkan kurang dari 0,1dB. Meningkatkan Q akan mengurangi kedalaman takik, sehingga Q terendah yang memberikan redaman harmonik minimum yang dapat diterima harus digunakan. Dimungkinkan untuk meningkatkan Q hingga setidaknya 10, tetapi kedalaman takik akan berkurang.
Rangkaian di atas dapat diubah pada rentang yang wajar dengan memvariasikan resistor R t * - dapat diubah dari 5k ke 20k, memberikan frekuensi dari sekitar 2,25kHz hingga 1,13kHz dengan nilai lainnya tidak berubah. Q memang bervariasi (seperti halnya kedalaman takik), tetapi kinerjanya memuaskan selama rentang tersebut. Filter ini menjadi kandidat yang sangat baik untuk menghilangkan frekuensi 'gangguan' seperti dengung 50/60Hz, atau bahkan feedback microphone.
Filter Fliege memiliki kinerja fase yang unik. Ketika frekuensi meningkat menuju frekuensi takik, fasenya adalah 0° - sefase dengan input. Saat frekuensi takik dilewatkan, fasenya -360 ° di atas takik - lagi-lagi persis sefasa dengan input, mungkin belum ada filter takik (Notch Filter) yang seperti ini.
Rujukan : Elliott Sound Products